ZDDQ Medium Voltage Metal Enclosed Capacitor Banks
Nov 28,2019

Standard Features

Enclosure

ZDDQ Capacitor banks,free standing, compartmentalized, all welded, galvanneal steel construction with 3 point pad-lockable latching handles and stainless steel hinges. The enclosure is painted with a corrosion resistant ANSI gray-61 epoxy paint. NEMA 3R construction is standard; NEMA 12 and 4X are available as an option. Base of enclosure as well as capacitor supports are formed from C4 structural steel. Door stays and windows are standard.
Load Interrupter Air Disconnect Switch
The externally operated air-disconnect switch provides the “visible-break” required by the NEC. The switch is located in a separate compartment that allows the main fuses and other components located within the capacitor compartment to be maintained without having to disconnect power to the bus feeding ZDDQ Capacitor banks.
Capacitors
Low loss, double bushing capacitors can meet or exceed IEC 871, IEEE 18 and CSA standards. ZDDQ Capacitor are connected ungrounded-wye as standard. Grounded banks are provided on request or for reasons of application. Internal discharge resistors reduce the residual voltage to less than 50 volts within 5 minutes of de-energization. The dielectric fluid is environmentally friendly,biodegradable, non PCB, with low toxicity. Internally fused capacitors are available upon request.
Key Interlock System
Key Interlock system dictates a safe sequence of operation and entry into the ZDDQ capacitor bank.
Blown Fuse Detection System Various types of blown fuse detection systems are provided by GE. Based on ZDDQ Capacitor banks' experience, the most suitable and cost effective system will be recommended. In general, every stage receives its own blown fuse detection system. This allows for the highest level of reliability.
Ground Switch
An interlocked ground switch is provided to ground the load-side terminals of the incoming air-disconnect switch and/or capacitors for safety during maintenance.
Main Incoming Fuses or Circuit Breaker

Main incoming fuses provide main bus protection and backup protection for ZDDQ Capacitor banks.

Lightning Arresters
Bank is protected from lightning and switching transients with heavy duty distribution class lightning arresters.
Transient Inrush Rectors
Reactors are provided on each stage to limit the frequency and magnitude of inrush currents from back-to-back ZDDQ capacitor bank switching.
Vacuum Switches
Each stage is controlled by long life low maintenance vacuum switches orvacuum contactors (for voltage less than 6.6kV). For switching at 25kV and higher, SF6 switches with or without pre-insertion resistors can be provided.
Individual Capacitor Fusing
To improve bank reliability and protect against case-rupture, each capacitor in ZDDQ Capacitor banks is individually fused with current limiting fuses.
Power Termination
Designed to accept NEMA standard single hole or two hole compression lugs.
Control Power Transformer
A control power transformer is provided for protection, control and operation of ZDDQ Capacitor bank.
Ground and Phase Bus
A 1/4” X 2” Tin plated ground bus is provided through the width of the enclosure to assist in grounding during maintenance. All phase bus is also Tin plated and rated at a minimum of 135% of the bank nominal current rating.
Automatic Power Factor Controller
ZDDQ Capacitor banks stages are automatically controlled by one of a variety of controllers
that can switch stages on an off based upon current, var load, power factor, temperature, time-of-day, metering pulses, or voltage. Power Factor Control is standard.
Ancillary Controls

On/Off/Auto Switches are standard with stage on and off indicators. Enclosurelights are provided in the control, main-incoming fuse, and capacitor compartments. A convenience outlet is provided in the control compartment.


Typical Single Line Diagram

Single Line diagram of ZDDQ Cacacitor banks


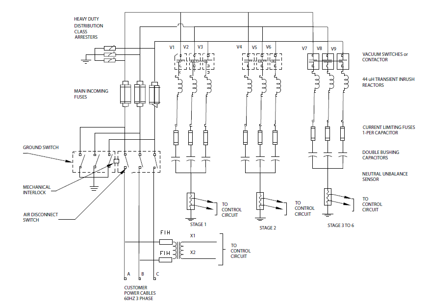
Typical three line diagram

ZDDQ Capacitor Banks Scope

LV(0.4kv~0.69kv) contactor switched Capacitor banks

LV(0.4kv~0.69kv) Tryristor switched Capacitor banks

 LV(0.4kv~0.69kv) SVG Panel

MV(2.4kv~35kv) contactor switched Capacitor banks

MV(6kv~35kv) STATCOM


Send a Message
welcome to zddq
If you are interested in our products and want to know more details,please leave a message here,we will reply you as soon as we can.

Home

Products

about

contact